PRODUCTS

We offer high quality transformer bushings based on DIN standards and USA standard and customer’s specifications.
DIN Standard product including : DIN 42530 , DIN42531, DIN 42532 ,DIN 42533 , DIN 40680 etc . for LV transformer & HV transformers .
DIN Standard product including : for LV transformer & HV transformers .
Product including : DIN 42530 Serials : AB-250-42530 AB-1000-42530 AB-2000-42530 AB-3150-42350
DIN 42539 Serials : AB-250-42539 AB-1000-42539 AB-2000-42539 AB-3150-42359
DIN 42531 Serials : 10NF250 20NF250 30NF250-600 30NF250-720 30NF250-900
30NF250-1320 ……

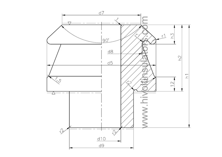
TYPE | d5 | d7 | d8 | d9 max | d10 min | d 13 | r1 | CODE NO |
A-250 | 75 | 32 | 34 | 37 | 14 | 60 | 1 | A1-250-42539N |
A-630 | 90 | 47 | 49 | 43 | 22 | 70 | 1 | A1-630-42539N |
A3-1000 | 110 | 65 | 67 | 53 | 32 | 90 | 1.5 | A1-1000-42539N |
A3-2000 | 125 | 80 | 82 | 66 | 44 | 105 | 1.5 | A1-2000-42539N |
A3-3150 | 145 | 100 | 100 | 86 | 50 | 125 | 1.5 | A1-3150-42539N |

TYPE | d4 | d6 e2 | d11 min | d12 max | e1 min | r2 | CODE NO |
B 250 | 70 | 60 | 40 | 26 | 20 | 2 | B1-250-42539N |
B 630 | 85 | 70 | 46 | 41 | 28 | 3 | B1-630-42539N |
B 1000 | 110 | 90 | 57 | 46 | 37 | 4 | B1-1000-42539N |
B 2000 | 125 | 105 | 70 | 64 | 51 | 4 | B1-2000-42539N |
B 3150 | 150 | 125 | 90 | 80 | 61 | 4 | B1-3150-42539N |

We are qualified supplier for ABB Group for more than 10 years .
We can supply you not only transformer bushing insulators but also assembled bushings with metal fittings .
High quality deserve your trust .
DALIAN HIVOLT DIN transformer bushing insulator catalog.pdf

English
Español
русский
Linkedin
Facebook